[View 41+] 12v Xbox 360 Slim Power Supply Wiring Diagram

Get Images Library Photos and Pictures. 438 Motherboard For Xbox 360 Power Supply Wiring Diagram Wiring Resources Yet Another Pointless Tech Blog Recipe Turn An Xbox 360 Power Block Into A 12v Power Supply Finalman S Console Mods Powering Ps3 Ps4 Xbox 360 One With A Pc Atx Power Supply Xbox 360 Slim Power Supply Newegg Com

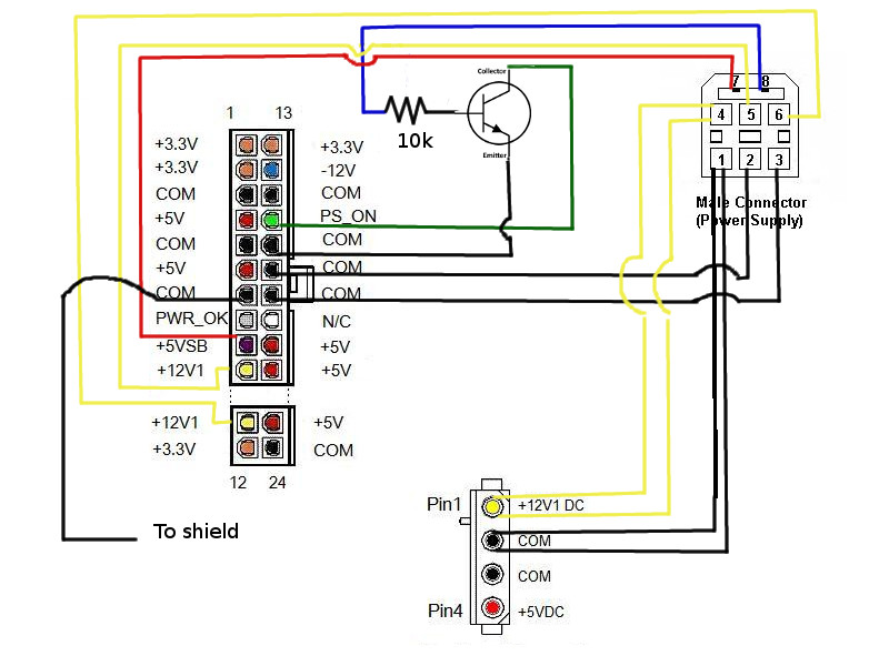
In this instructable i will show you how to turn an x box 360 psu into a high ampere 12v power supply. With this kind of an illustrative guide you are going to have the ability to troubleshoot prevent and total your assignments without difficulty.

. Yet Another Pointless Tech Blog Recipe Turn An Xbox 360 Power Block Into A 12v Power Supply Atx Power Supply With Adjustable Voltage Current Modified Electronics Projects Circuits Ac Adapter Charger Power Supply Cord For Xbox 360 Slim Only Brick Game Console Ebay

Xbox 360 Slim Power Supply Newegg Com Xbox 360 Slim Power Supply Newegg Com

Xbox 360 Slim Power Supply Newegg Com Its intended to assist all of the typical user in developing a correct program.

Xbox 360 Slim Power Supply Newegg Com

. Otherwise the structure will not function as it ought to be. You can probably score some 20 gauge yellow and. Home wiring diagram xbox 360 power supply wiring diagram how to turn an x box 360 psu into a 12v lab psu.

Not only will it help you achieve your desired results faster but also make the entire method simpler for everybody. Xbox 360 power supply teardown ifixit atx pc power supply for an xbox 360 e console elviskapllaj how to turn an x box 360 psu into a 12v lab psu 7 steps schematics console related schematics nfg games gamesx disassembling and cleaning xbox 360 power supply brick c the variable constant xbox 360 power supply hack xbox 360 technical specifications wikipedia xbox 360 s repair ifixit. Next is the list of needed materials.

This book can. Next how to turn an x. Higginbotham published february 9 2019 full size is 1024 768 pixels back to article.

Using this manual you may be able. This is simple and it only requires a few parts. I used some 16 gauge wire that i had sitting around.

Each part should be placed and connected with other parts in specific way. Wiring diagram comes with numerous easy to stick to wiring diagram directions. If not the structure wont work as it should be.

Item 2 yellow and black wire that is thicker than most signal wire. Each component ought to be set and linked to different parts in specific manner. In the 2nd hand store i found and x box 360 psu for 10 and i looked at the back and thought this great for a 12v supply because it could output a lot of amps 122 to be exact.

So i tracked down the wire identification and i made one into a. Xbox 360 power supply wiring diagram you will want an extensive professional and easy to know wiring diagram. Xbox 360 power supply wiring diagram xbox 360 e power supply wiring diagram xbox 360 power supply wiring diagram xbox 360 slim power supply wiring diagram every electrical structure is composed of various different components.

7 steps xbox 360 power supply wiring diagram. 7 steps xbox 360 power supply wiring diagram. Xbox 360 slim diagram wiring diagrams click xbox 360 power supply wiring diagram.

Xbox 360 power supply wiring diagram xbox 360 e power supply wiring diagram xbox 360 power supply wiring diagram xbox 360 slim power supply wiring diagram every electric arrangement is made up of various distinct pieces. Item 0 obviously you will need a xbox 360 power supply item 1 needed is a some sort of socket for a lighter plug i bought a 12v triple socket adapter from canadian tire for 1199 cad. How to turn an x box 360 psu into a 12v lab psu.

These guidelines will likely be easy to understand and use.

Car Amp In House Car Amp Powered By Xbox 360 Power Brick Car Sound System In Home Youtube Car Amp In House Car Amp Powered By Xbox 360 Power Brick Car Sound System In Home Youtube

Xbox 360 Power Supply Fuse General Wiring Diagrams Practice B Practice B Leinivbc It Xbox 360 Power Supply Fuse General Wiring Diagrams Practice B Practice B Leinivbc It

Xbox 360 Power Supply Wiring Diagram Xbox 360 Power Supply Wiring Diagram Manufacturers In Lulusoso Com Page 1 Xbox 360 Power Supply Wiring Diagram Xbox 360 Power Supply Wiring Diagram Manufacturers In Lulusoso Com Page 1

Xbox 360 Power Supply Teardown Ifixit Xbox 360 Power Supply Teardown Ifixit

438 Motherboard For Xbox 360 Power Supply Wiring Diagram Wiring Resources 438 Motherboard For Xbox 360 Power Supply Wiring Diagram Wiring Resources

Mo 3037 Xbox 360 Power Supply Wiring Diagram Wiring Diagram Mo 3037 Xbox 360 Power Supply Wiring Diagram Wiring Diagram

Recycling An Xbox 360 Slim Power Supply Dieselpowered Recycling An Xbox 360 Slim Power Supply Dieselpowered

Diagram Motherboard For Xbox 360 Power Supply Wiring Diagram Full Version Hd Quality Wiring Diagram Blogwiring2a Atuttasosta It Diagram Motherboard For Xbox 360 Power Supply Wiring Diagram Full Version Hd Quality Wiring Diagram Blogwiring2a Atuttasosta It

Vn 0232 Xbox 360 Power Supply Fuse Wiring Diagram Vn 0232 Xbox 360 Power Supply Fuse Wiring Diagram

Xbox One Power Adapter Wiring Converting It To A 12 Volt Power Supply Electrical Engineering Stack Exchange Xbox One Power Adapter Wiring Converting It To A 12 Volt Power Supply Electrical Engineering Stack Exchange

Xbox 360 Power Supply Wiring Diagram Xbox 360 Power Supply Wiring Diagram Manufacturers In Lulusoso Com Page 1 Xbox 360 Power Supply Wiring Diagram Xbox 360 Power Supply Wiring Diagram Manufacturers In Lulusoso Com Page 1

Xbox 360 Power Supply Wire Diagram Classic Mini Wiring Diagram Pdf Vww 69 Yenpancane Jeanjaures37 Fr Xbox 360 Power Supply Wire Diagram Classic Mini Wiring Diagram Pdf Vww 69 Yenpancane Jeanjaures37 Fr

Diagram Hp Power Supply Wiring Diagram Full Version Hd Quality Wiring Diagram Relayha Leasiatique It Diagram Hp Power Supply Wiring Diagram Full Version Hd Quality Wiring Diagram Relayha Leasiatique It

Amazon Com Power Supply For Xbox 360 Slim Ac Adapter Power Supply Cord For Xbox 360 Slim Auto Voltage Black Electronics Amazon Com Power Supply For Xbox 360 Slim Ac Adapter Power Supply Cord For Xbox 360 Slim Auto Voltage Black Electronics

Yet Another Pointless Tech Blog Recipe Turn An Xbox 360 Power Block Into A 12v Power Supply Yet Another Pointless Tech Blog Recipe Turn An Xbox 360 Power Block Into A 12v Power Supply

Start By Turning The Power On Cwackduck Com Adventures In Stuff And Things Start By Turning The Power On Cwackduck Com Adventures In Stuff And Things

Xbox 360 Slim Wiring Diagram Box Wiring Diagram Xbox 360 Slim Wiring Diagram Box Wiring Diagram

Ac Adapter Charger Power Supply Cord For Xbox 360 Slim Only Brick Game Console Ebay Ac Adapter Charger Power Supply Cord For Xbox 360 Slim Only Brick Game Console Ebay

Vn 0232 Xbox 360 Power Supply Fuse Wiring Diagram Vn 0232 Xbox 360 Power Supply Fuse Wiring Diagram

Xbox 360 Slim Wiring Diagram Box Wiring Diagram Xbox 360 Slim Wiring Diagram Box Wiring Diagram

C The Variable Constant Xbox 360 Power Supply Hack Xbox Xbox 360 Power Supply C The Variable Constant Xbox 360 Power Supply Hack Xbox Xbox 360 Power Supply

Xbox 360 Power Supply To 12v Accessory Adapter 18 Steps Instructables Xbox 360 Power Supply To 12v Accessory Adapter 18 Steps Instructables

Diagram Dell Laptop Power Supply Wiring Diagram Full Version Hd Quality Wiring Diagram Queryeyeforthedatabaseguy Wantedexam Fr Diagram Dell Laptop Power Supply Wiring Diagram Full Version Hd Quality Wiring Diagram Queryeyeforthedatabaseguy Wantedexam Fr

Xbox 360 Ac Adapter Wiring Diagram 08 Prowler 650 Arctic Cat Wiring Diagram Begeboy Wiring Diagram Source Xbox 360 Ac Adapter Wiring Diagram 08 Prowler 650 Arctic Cat Wiring Diagram Begeboy Wiring Diagram Source

Xbox 360 Power Supply Wiring Diagram Piping Layout Engineer Job Description Bullet Squier Kdx 200 Jeanjaures37 Fr Xbox 360 Power Supply Wiring Diagram Piping Layout Engineer Job Description Bullet Squier Kdx 200 Jeanjaures37 Fr

Start By Turning The Power On Cwackduck Com Adventures In Stuff And Things Start By Turning The Power On Cwackduck Com Adventures In Stuff And Things

Komentar

Postingan populer dari blog ini